大学物理电磁学公式(巧妙避免中考犯错)
很多初中生朋友们在学习电学时总会遇到这样或者那样的难题,对于认真思考、努力地主动学习的多数学生们来说,初中物理并不会成为中考的一个太大障碍,但是对于很多自主性比较差一些,做题又不太多、平时又不太喜欢归纳的同学来说,物理一定会成为一个难以逾越的学科。
其实,只要学习得法,物理并不难学,比如电学知识,在掌握课本知识和方法的基础上,完全可以在平时通过多归纳总结,达到快速提高成绩的目的。
比如今天要总结的一个初中物理难题,此难题甚至影响了不少初中生,直到中考那天甚至都没有真正学会。
然而,实际上,此问题只要参透本质,透过各种题型看穿背后的真相,一切相关的综合题型都变得简单易懂。
此问题就是“滑动变阻器及其相关应用”!
有些初中生从一开始就没有用心学习,导致一个最基本也最关键的问题没有得到解决,结果造成了极其深远的中考障碍!
今天,我们就通过五张归纳图,一举解决此问题,帮助这部分内容学习有障碍的初中生朋友们顺利渡过难关!
前两张归纳图:滑动变阻器的原理与连接方式及其变形应用!
通过上面这两张图,我们对滑动变阻器的物理原理一目了然!
涉及相关物理知识如下:
1.所谓的滑动变阻器,其原理就是通过改变连入电路中的电阻丝的长度改变阻值大小!
2.滑动变阻器的六种接法中,只有“一上一下”连接才能改变阻值,而且阻值大小取决于滑片与下接线柱之间的电阻丝长度!
当滑片远离导线所连接的下接线柱时,阻值变大;当滑片距离导线所连接的下接线柱最远时,阻值最大!
当滑片远离导线所连接的下接线柱时,阻值变大;当滑片距离导线所连接的下接线柱最近时,阻值最小!
3.关于电位器,其三个接线孔中的中间接线孔相当于滑动变阻器中的下接线柱!与真正的滑动变阻器所不同的是,电位器的“下接线柱”只有一个!如果连接另外两个接线孔,则不论是顺时针转还是逆时针转,阻值都不变!
4.另外,有一种极其常考,且和生活应用相关的题型:利用与滑动变阻器相并联或者串联的电压表、电流表做成的“油量表、电子地磅、侧重仪、身高仪、测风仪……”其实都是滑动板变阻器的阻值变化引起电表变化的典型应用。
第三张归纳图:真假滑动变阻器引起的电路动态变化及其应用!
所谓的真滑动变阻器,就是当“滑片”移动时,滑动变阻器的阻值会发生变化!
所谓的假滑动变阻器,就是当“滑片”移动时,此假“滑动变阻器”的阻值会发生变化!
如上图所示,一定要看清假滑动变阻器之所以是假的,主要是因为电压表相当于断路,当滑片移动时,经过滑动变阻器的电流完整的经过了全部电阻丝的,就是假的,否则就是真的!
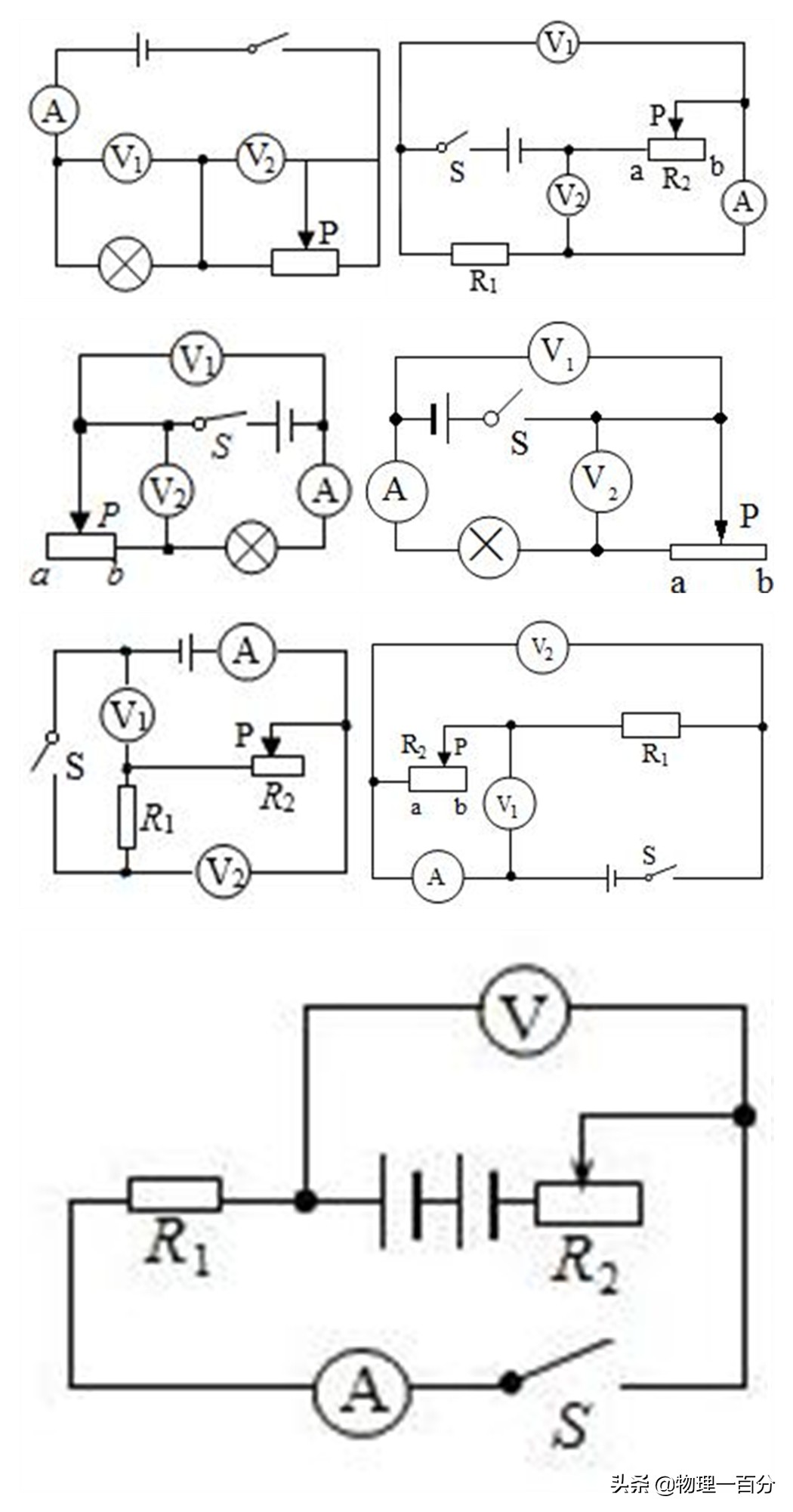
第四张归纳图:串联电路中滑动变阻器的作用及其所引起的电路动态变化问题!
关于此类问题,属于中考常考题型之一,此类题除了要辨别出电路是串联之外,还要识别出电流表的测量对象、电压表的测量对象,再就是今天所说的滑动变阻器的阻值变化!
在串联电路中,如果在判断滑动变阻器的阻值变化问题时总是出错,可以养成画出电流所流过的路径的习惯!这样就可以一眼看出滑动变阻器的阻值变大或者变小!
如上面这七个图,全部都是历年中考物理题中的插图,我们根本不需要看原题,只需要看这些图,就能想得出来所要考查的知识,因为,关于此类题,我们只要把串联的电路全部放在一起,就能在最短时间内归纳出此类题做法,从而做到彻底避免犯错!
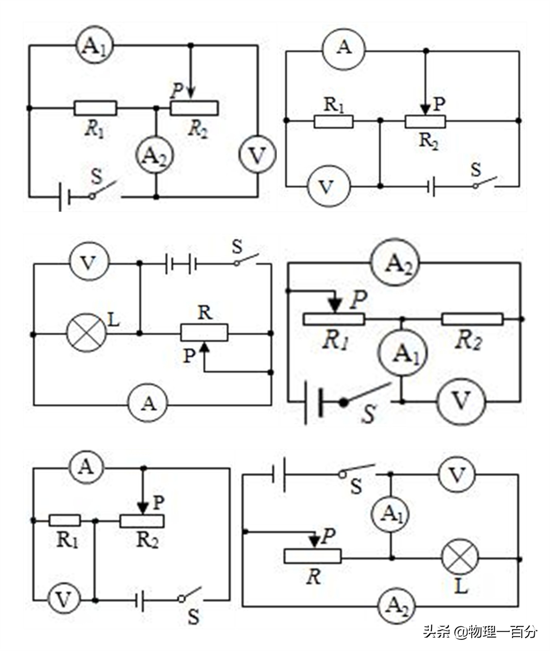
第五张归纳图:并联电路中滑动变阻器的作用及其所引起的电路动态变化问题!
上面这张归纳图其实包含了六道历年中考物理真题!
其实,当我们看到并联电路中的滑动变阻器所引起的电路动态变化问题时,应该非常高兴!
为什么这么说呢?
这是因为,初中物理题所涉及的电路图,其用电器往往不会超过两个,即便有三个也会通过多个开关的闭合使电路中只有三个用电器处于工作状态,因此,这类题最容易!
最容易的地方之一:就是“并联电路中的电压表的示数总是等于电源电压,大小不变!”,当然,此结论仅仅限于初中物理电路图中只有两个用电器在工作的情况!如果是真正涉及到三个甚至更多用电器,那此结论就不适用了!尤其是以后学习高中物理知识时,就更得慎用了。
另外,最容易的地方之二:就是并联电路中,总有一条支路,一般是定值电阻,其相关的所有电学物理量大小都不变,比如电流、电压、电阻、电功、电能、电功率、电热等,都不会发生改变,其主要原因是,并联电路中的两个用电器两端的电压一直等于电源电压!所以电压不变!而其电阻又不变,根据电学公式可以推出其余所有物理量均不变!也就是说,发生变化的只有滑动变阻器所在的这一条支路!
正是基于以上最容易的两点,所以此类题就变得无比简单了!这种电路总是“以(一条支路的)不变应(另外一条支路的)万变”的!
通过以上总结归纳图,我们可以看出,关于滑动变阻器,最重要的是掌握其原理,并且做到仔细认真分析,切不可马虎走眼,必定可以做到万无一失。
全部初中物理电学知识归纳、易错题总结、重难点归纳,尽在专栏“一周精通电学!轻松中考!”
更多、更重要的中考物理易错题、常错题、常用必考结论归纳、重难点总结,尽在专栏“八套中考物理错题集!学霸精品!”
中学生朋友们,养成同类题归纳总结的习惯吧,为了美好的未来,加油!









